विवरण
जांच भेजें
H 320 - KM लॉक नट और MB लॉक वॉशर के साथ अडैप्टर स्लीव
टेपर्ड बोर के साथ बियरिंग के लिए लॉक नट और लॉकिंग डिवाइस के साथ मेट्रिक अडैप्टर स्लीव पूरा। बोर व्यास: 90 मिमी;
बाहरी व्यास ताला अखरोट: 130 मिमी; चौड़ाई: 71 mm; थ्रेड: M100x2. वज़न: 1.78kg.


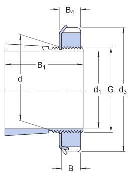
एच 320 - एडेप्टर स्लीव ड्राइंग और डेटाशीट
| d1 | 90 मिमी | बोर व्यास |
| d | 100 मिमी | बाहरी व्यास छोटा टेपर |
| d3 | 130 मिमी | बाहरी व्यास ताला अखरोट |
| B1 | 71 मिमी | चौड़ाई |
| B | 18 मिमी | चौड़ाई ताला अखरोट |
| B4 | 20 मिमी | लॉक वॉशर सहित चौड़ाई लॉक नट |
| G | M100x2 | धागा |
| 1:12 | बाहरी टेपर | |
| मास एडेप्टर आस्तीन विधानसभा | 1.78 किग्रा | |
| बंद करने वाला नट | केएम 20 | |
| लॉकिंग डिवाइस | एमबी 20 | |
| हाइड्रोलिक अखरोट | एचएमवी 20 ई | |
विस्तारितएडेप्टर स्लीव सूची उच्च गुणवत्ता और प्रतिस्पर्धी कीमतों के साथ बड़े स्टॉक में भी उपलब्ध हैं
| असर संख्या | आकार (मिमी) | मास (किग्रा) |
| H 320 | 100x130x71 | 1.78 |
| H312 | 55x80x47 | 0.41 |
| H 313 | 65x85x50 | 0.48 |
| H315 | 65x98x55 | 0.8 |
| H3136 | 160x230x131 | 9.8 |
| H2316 | 80x105x78 | 1.2 |
| H316 | 80x105x59 | 1.07 |
| H3126 | 130x165x21 | 3.8 |
| H 309 | 45x65x39 | 0.26 |
| H 2324 | 120x155x112 | 3 |
| H 310 | 50x70x42 | 0.31 |
| H 318 | 90x120x65 | 1.43 |
| H 3124 | 120x155x88 | 2.7 |
| H 3122 | 110x145x81 | 2.3 |
| H 2318 | 90x120x86 | 1.6 |
| H 3036 | 180x210x109 | 7.2 |
| H 3128 | 140x180x97 | 4.5 |
| H 322 | 110x145x77 | 2.26 |
| H 2330 | 150x195x139 | 6.4 |
| H 317 | 85x110x63 | 1.23 |
| H 2319 | 95x125x90 | 1.8 |
| H 3140 | 200x250x150 | 12.5 |
| H 3026 | 130x155x80 | 3 |
| H3024X | 120x145x72 | 2 |
| H 3034 | 170x200x101 | 6.3 |
| H 2310 | 50x70x55 | 0.34 |
| H 3048 | 220x290x133 | 13.2 |
| H 209 | 45x65x33 | 0.24 |
| H 2320 | 100x130x97 | 2 |
| H 324 | 120x155x88 | 2.7 |
| H 206 | 30x45x27 | 0.1 |
| H 207 | 35x52x29 | 0.14 |
| H 208 | 40x58x31 | 0.18 |
| H 211 | 55x75x37 | 0.33 |
| H 308 | 40x58x36 | 0.2 |
| एएच 24032 | 150x M170x3x95 | 2.34 |
| H 2313 | 65x85x12 | 0.52 |
| H 312 | 60x80x47 | 0.41 |
| एएच3068-एच | 340xTr365x5x162 | 19.4 |
| एएचएक्स3124/110 | 110x M130X2x75 | 1.463 |
| H 213 | 60x85x40 | 0.4 |
| H 311 | 55x75x45 | 0.37 |
| ओएच 3172 एच | 360x460x259 | 57.1 |
| H 2340 | 200x250x176 | 13.5 |
| H2315 | 65x98x73 | 1.143 |
| H313 | 60x85x50 | 0.5 |
| H307 | 30x52x35 | 0.16 |
| H 2322 | 110x145x105 | 2.85 |
| H 319 | 95x125x68 | 1.59 |
| ओएच 3160 एच | 300xTr300x4x208 | 31.2 |
| H 2326 | 115x165x121 | 4.73 |
| ओएच 3284 एच | 400x540x352 | 98.7 |
हमारे गोदाम और वितरण


लोकप्रिय टैग: h 320 - km लॉक नट और mb लॉक वॉशर के साथ अडैप्टर स्लीव, आपूर्तिकर्ता, एजेंसी, कीमत, बिक्री के लिए
